Válvula de esfera de flange pneumáticaatribuívelVálvulas de esfera com flangeO corpo da válvula e o atuador pneumático AT são combinados, e os acessórios pneumáticos correspondentes podem alcançar um controle inteligente, fácil de abrir ou fechar rapidamente a tubulação, podendo controlar efetivamente e gerenciar remotamente a rede de tubulação. A sérieVálvulas de esfera pneumáticasPossui as características de pequena resistência a fluidos, estrutura simples, pequeno volume, peso leve, estanque e confiável, fácil de operar, abrir e fechar rapidamente, fácil manutenção e assim por diante. Usado principalmente para cortar ou conectar o meio na tubulação, também pode ser usado para regulação e controle de fluidos. Adequado para água, vapor, óleo, meios ácidos e alcalinos e outros meios.
Parâmetro do produto
产品型号 | Q641F-16P |
阀体材质 | 304不锈钢 |
气缸材质 | 铝合金 |
气缸类型 | AT de dupla ação |
公称压力 | ≤1,6Mpa |
适用介质 | 水、蒸汽、油品等 |
适用温度 | ≤150°C |
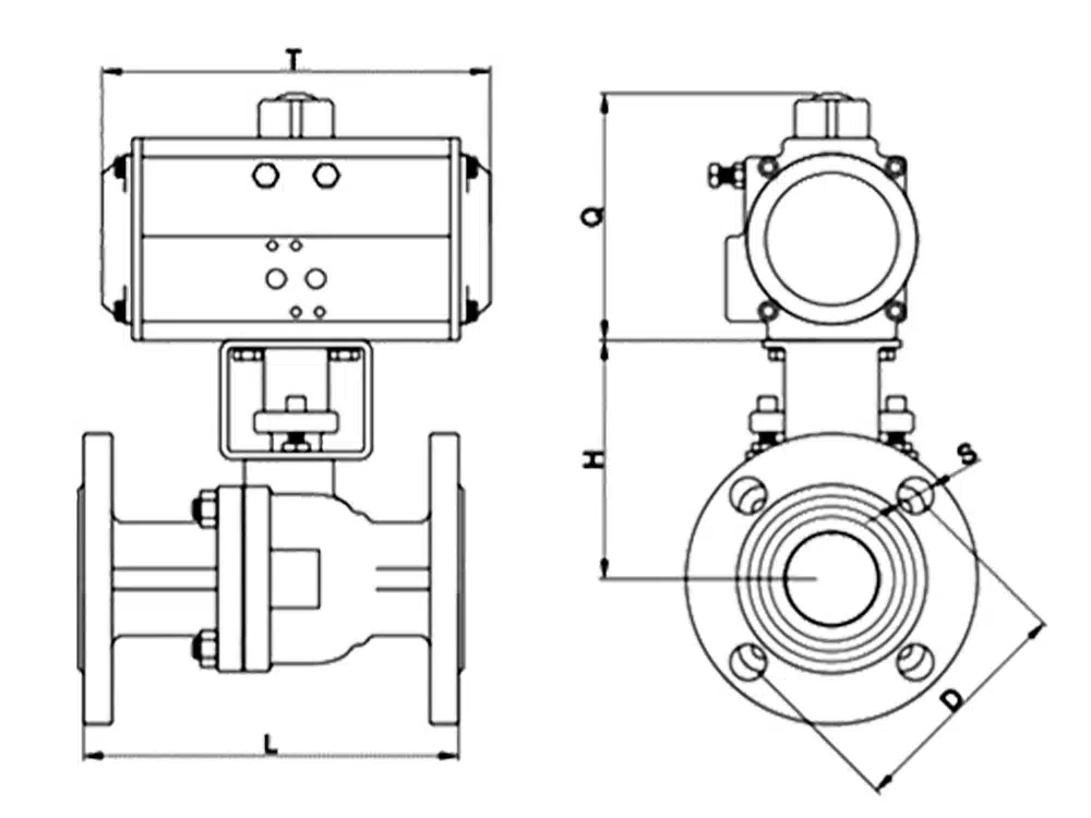
Referência de tamanho do produto

通径 | L | T | D | H | Q | S |
DN15 | 130 | 147 | 65 | 106 | 98 | 4-14 |
DN20 | 140 | 147 | 75 | 111 | 98 | 4-14 |
DN25 | 150 | 170 | 85 | 122 | 116 | 4-14 |
DN32 | 165 | 184 | 100 | 129 | 128 | 4-18 |
DN40 | 180 | 211 | 110 | 138 | 136 | 4-18 |
DN50 | 200 | 211 | 125 | 154 | 136 | 4-18 |
DN65 | 220 | 265 | 145 | 164 | 146 | 4-18 |
DN80 | 250 | 275 | 160 | 193 | 153 | 8-18 |
DN100 | 280 | 305 | 180 | 203 | 175 | 8-18 |
DN125 | 320 | 390 | 210 | 233 | 192 | 8-18 |
DN150 | 360 | 458 | 240 | 251 | 217 | 8-22 |
DN200 | 400 | 525 | 295 | 322 | 260 | 12-22 |




















